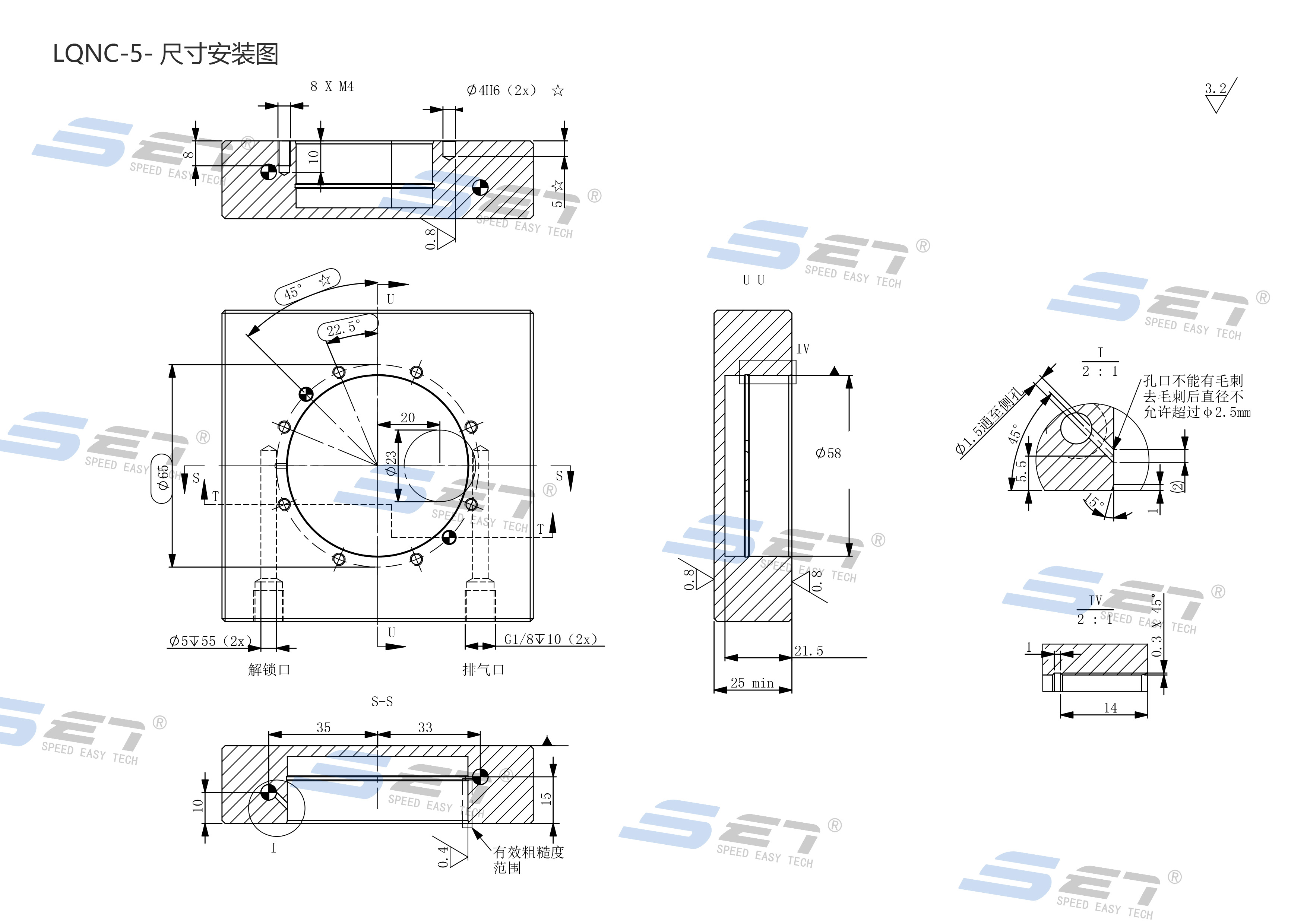
Pneumatic Built-In Mounting Type
- The air pressure internal mounted zero positioner is ventilated on the spring plate, and the clamp plate is in the open state.
- The nail can be conveniently placed into the clamp plate. When working, the air is cut off for processing. Therefore, there is no need to worry about air pressure instability in the work.
- Repeated positioning accuracy <0.005mm, single positioner clamping force 17kN, tension force 55kN.
- Suitable for processing industries that need to reduce fixture replacement time.
- Suitable for metal or non-metal cutting.
English
русский
Español
简体中文






.jpg)
